Constructie casa zidarie 294-007

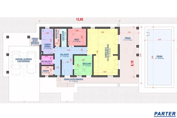
294.61 mp (12.95 x 8.10 ml)
5 camere + 3 bai
vezi cum construim in toata tara
proiectare 4277€ cu tva
cu arhitect autor Wolf Construct©
constructie 160579€ cu tva
pentru pachet Standard
calculatorul de pret iti arata ce include:
Ai intrebari despre pretul afisat?

Ce cuprinde pachetul Standard de constructie in pretul afisat?
Pentru a vedea ce cuprinde pachetul Standard, te invitam sa accesezi calculatorul de pret folosind butonul „Calculeaza pretul constructiei”.
Dupa ce vei alege stadiul dorit al constructiei (pasul 4), aplicatia iti va cere sa confirmi daca vrei sa vezi prezentarea pachetelor disponibile. Selecteaza „DA (recomandat)”.
Vei parcurge o prezentare interactiva ce iti arata, pas cu pas, ce este inclus in pachetul Standard si cum se compara cu celelalte pachete din oferta noastra.

De ce nu este afisat pretul la cheie in pagina?
Pentru ca un astfel de pret ar fi de fapt nerealist.
Termenul „la cheie” inseamna lucruri diferite pentru fiecare:
- unii clienti au deja arhitect si nu au nevoie de proiectare, alti clienti aleg sa-si execute fundatia in regie proprie.
- structura casei si izolatia difera in functie de preferinte si buget, noi oferim mai multe pachete distincte.
- finisajele interioare pot chiar dubla pretul final in functie de confortul dorit (ex. marmura, tapet, parchet stratificat etc).
- incalzirea prin pardoseala este optionala la fel ca si alte lucrari similare, taxele de transport si cazare difera in functie de locatia obiectivului etc.
Asadar, pretul "la cheie" variaza drastic in functie de client. Prin urmare, afisam in pagina proiectului doar pretul pachetului Standard, ca punct de plecare (fara proiectare, fundatie, finisaje, transport si alte lucrari optionale).
Solutia noastra sa obtii oferta completa este calculatorul de pret: utilizeaza butonul "calculeaza pretul constructiei" si iti poti configura locuinta exact cum vrei, pas cu pas, in functie de bugetul, preferintele si prioritatile tale, la stadiul de finalizare dorit.

Preturile din calculatorul de pret sunt actualizate?
Primim aceasta intrebare zilnic – si e perfect normal! Raspunsul este: DA, preturile sunt mereu actualizate. Tocmai acesta este si motivul pentru care am creat calculatorul de pret: sa oferim mereu informatii corecte si la zi.
Aplicatia fiind conectata direct la bursa materialelor, preturile se ajusteaza automat in functie de inflatie si schimbarile din piata. Asadar, poti avea incredere ca preturile afisate in calculatorul de pret reflecta fidel costurile reale din momentul ofertarii.
Mai mult, oferta generata este valabila strict in ziua respectiva (blocarea pretului se realizeaza doar prin semnarea unui contract). Pentru actualizari ulterioare de oferta, va rugam sa utilizati din nou calculatorul de pret!

Pot fi modificate proiectele de pe site? Se schimba pretul in functie de modificari?
Da, pot fi modificate. Acestea sunt de fapt idei / concepte initiale de design. Reprezinta o sursa de inspiratie, un punct de plecare spre proiectul final dorit.
Vrei sa schimbi doar organizarea interioara? Nicio problema – pretul va ramane acelasi, deoarece toate calculele se fac la metru patrat construit.
Vrei sa maresti sau sa reduci suprafata? Poti face asta chiar de la primul pas in calculatorul de pret! Costurile se vor ajusta automat, iar daca mai vrei sa testezi alte variante, poti reveni la pasii anteriori pentru o noua simulare de pret.
Ce iti recomandam noi? Concentreaza-te pe cati metri patrati iti doresti si pe cat vrei sa investesti. Detaliile de compartimentare le vei stabili oricum ulterior impreuna cu arhitectul contractat.

Acceptati credit ipotecar?
Da, acceptam. Pe pagina de sumar din calculatorul de pret (la final unde poti vedea pretul total), vei gasi in partea de jos mai multe butoane utile, inclusiv un buton cu prezentarea procedurii complete: „Creditul ipotecar pe scurt”.

Am facut o simulare in calculatorul de pret si doresc o vizionare, cum procedez?
In pasul final al calculatorului de pret (urmatoarea pagina dupa sumar), introdu datele tale de contact si programeaza-ti o vizita la showroom-ul nostru din Snagov.
Poti atasa si documentatia terenului, proiectul sau schitele pentru arhitectul nostru (recomandat).
Vei fi contactat telefonic de un inginer pentru a confirma programarea. Din cauza programului aglomerat din santiere, vizitele se pot face doar pe baza de programare.

Specificatii

Suprafata totala (mp): 294.61
Suprafata desfasurata casa (mp): 252.88
Suprafata terase + balcoane (mp): 41.73
Amprenta (ml): 12.95 x 8.10
Regim de inaltime (nr.): 3 nivele
Suprafata casa la parter (mp): 104.9
Terase acoperite la parter (mp): 39.57
Terase neacoperite la parter (mp): 2.16
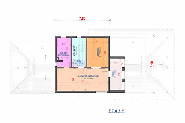
Suprafata casa la etaj 1 (mp): 73.99
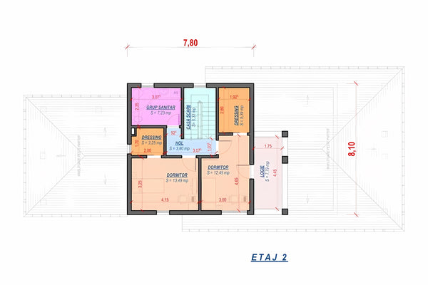
Suprafata casa la etaj 2 (mp): 73.99

Constructie din caramida cod 294-007 este conceputa pentru familii din 4 membri. Arhitectul va recomanda o deschidere a terenului minima de 14,8 ml. Aceasta casa spatioasa prezinta in planul parterului o camera de zi foarte generoasa si un birou. Bucataria cu dublu acces este inchisa si comunica cu livingul. La exterior petrecerea timpului liber se poate face pe o terasa acoperita generoasa cu deschidere spre o piscina de aproximativ 46 mp. La etajul 1, a fost proiectat un dormitor matrimonial foarte spatios cu anexele dedicate: dressing, grup sanitar, logie. Etajul 2 are incorporate 2 dormitoare, fiecare avand dressing propriu. Mai multe dependinte asigura impartirea functionala a spatiilor precum camara, hol cu perete tampon, incapere depozitare suplimentara, camera tehnica cu acces in parcarea acoperita pentru 2 autovehicule si cate un grup sanitar pe fiecare nivel. Culoarea exteriorului acestei case cu 2 etaje din zidarie executata de Wolf Construct a fost optiunea beneficiarului.

Avantaje Wolf Construct

Garantie 75 ani
Credit ipotecar
Totul cu un singur constructor
Calculator de pret la zi
Proiectare personalizata
Acoperire nationala
Casa la cheie 150-180 zile
Flexibilitate echipari
Vizionari constructii
Eficienta energetica
Rezistenta seismica
Certificate conformitate

Curios cat te costa casa ta?

  • 1. Configureaza casa

    Introdu suprafetele dorite pentru fiecare nivel in parte. Preturile vor fi calculate la metru patrat construit.

  • 2. Proiect si fundatie

    Alege daca doresti ca noi sa iti proiectam constructia si sa realizam fundatia sau preferi sa externalizezi aceste etape.

  • 3. Pachet de constructie

    Iti prezentam pachetele si ulterior il alegi pe cel potrivit. Obtii pretul, iti incarci documentatia si te programezi online.